我國具有豐富的鐵礦資源,已探明儲量近500億t,可供開發利用的約260億t,其中96%為貧礦,平均品位為32.6%。隨著鋼鐵工業的快速發展,鐵礦資源消耗速度很快,富礦越來越少,已不能滿足鋼鐵生產的需要,國內多數大型鋼鐵企業不得不利用大量外匯高價購買澳大利亞、巴西等國的進口礦進行高爐冶煉。自2003年以來,我國對進口鐵礦石的依賴程度已達55%以上,比較分散的中小型鋼鐵企業則只能使用較低品位的鐵礦。此外,我國電弧爐煉鋼需要大師的廢鋼原料,來源緊張,造成不少電爐煉鋼廠處于半停產狀態。因此,尋找新的鋼鐵原料來源已經迫在眉睫。本研究在前期對國內某超微細貧赤鐵礦進行磁選、浮選、磁選-浮選等常規選礦試驗都無法獲得滿意結果的情況下,采用煤基直接還原-磁選工藝,實現了鐵的有效富集,為這種鐵礦石的開發利用提供了新的技術路線。
1、試驗原料
1.1、鐵礦石
試驗所用鐵礦石為湖南某貧赤鐵礦石。礦石采樣粒度10~50mm,用顎式破碎機在加對輥破碎機至-1mm備用。原礦化學多元素分析結果如表1所示。

由表1可見,礦石鐵品位僅為28.83%,SiO2含量高達45.18%,但P、S等有害雜質含量較低,如果能夠通過選礦富集的話,將是一種優質的高爐原料。
巖相分析表明:礦石結構較致密,但很脆,并不堅實。礦石中主要是赤鐵礦和石英這兩種礦物,赤鐵礦含量為26.35%,石英含量為61.27%,其次還有少量的三氧化二鋁、氧化鎂、氧化鈣等。鐵礦物主要以赤鐵礦形式存在,并以微細粒(3~5μm)嵌布在脈石中,分布比較均勻。赤鐵礦中含有少量的脈石和雜質,且以浸染狀與脈石礦物混雜交生,局部可過渡為稠密浸染狀。石英顆粒大小不一,大多為10~30μm。因此,該礦石具有鐵質板巖的特征,將極難分選,預計即便將礦石磨至全部小于10μm,絕大部分赤鐵礦仍將與石英呈連生體產出,這就決定了采用傳統的選礦工藝無法實現赤鐵礦和石英的有效分離。
1.2、還原劑
試驗所用還原劑為新疆奇臺煤,破碎至-1mm備用。煤樣的工業分析結果及灰份化學分析結果分別示于表2和表3。


由表2和表3可以看出,試驗用煤灰份少,固定碳和揮發份含量高,有害元素S含量及結焦指數低,是良好的還原劑。該煤灰渣的軟熔特性為變形溫度1100℃、軟化溫度1170℃、半球溫度1190℃、流動溫度1260℃,符合一般煤基直接還原的要求。
2、試驗方法
試驗工藝為:原礦加水混勻->壓團->干燥->預熱->直接還原->冷卻->磨礦->磁選。該工藝采用將原礦壓團預熱后再還原的方法,可以明顯提高鐵礦石的還原速度和金屬化率,有利于后續磁選時獲得較高的鐵回收率。
團塊制備采用φ13mm×50mm的模具將原礦壓制成φ13mm×8mm的圓柱;烘干的團塊在900℃下預熱10min,添加一定量的煤,置于φ65mm×100mm熱不銹鋼還原罐中按預定還原溫度和時間進行還原后取出,蓋煤冷卻,得到還原團塊;將還原團塊破碎后用XMQ240×90型錐形球磨機磨礦,磨礦細度采用JL-1166型激光粒度分析儀測定;磁選設備為XCGS-73型磁選管,直徑50mm,磁場強度可調。
3、試驗結果及分析
3.1、原礦直接還原試驗
3.1.1、還原溫度試驗
還原溫度對還原礦金屬化率的影響如圖1所示。可見:當還原溫度從900℃提高到950℃時,還原礦金屬化率從80%左右增加到89%左右;還原溫度繼續上升,還原礦金屬化率反而降低,在溫度達到1000℃時下降到81%左右,這主要是因為原礦中含量高達45.18%的SiO2在還原性氣氛下極易與還原生產的FeO發生反應,形成低熔點的鐵橄欖石,高溫時鐵橄欖石會在還原礦的表面形成大師液相,阻礙還原氣氛向內部擴散。因此,可以確定*佳的還原溫度為950℃,這個溫度比通常用高品位鐵礦石直接還原生產海綿鐵的適宜溫度1050℃要低100℃。

3.1.2、還原時間試驗
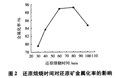
還原時間對還原礦金屬化率的影響如圖2所示。可見:還原時間從30min增加到80min,還原礦的金屬化率從78%左右提高到89%左右;但是隨著還原時間的進一步延長,金屬化率反而下降,這可能是由于隨著還原時間的增加,煤被不斷消耗,還原罐內的還原性氣氛降低,而氧化性氣氛增強,從而使已還原的礦石再氧化。因此,確定還原時間為80min。

3.1.3、煤/礦質量比試驗
煤/礦質量比對還原礦金屬化率的影響如圖3所示。可見:當煤/礦質量比由1:1增加到2.5:1時,還原礦的金屬化率由77.75%提高到93.72%;煤/礦質量比進一步增加,還原礦金屬化率的變化趨于平緩。因此,煤/礦質量比定為2.5:1。

由于實驗室還原罐為非封閉體系,需要遠大于理論量的還原劑才能保證還原罐內有足夠的還原氣氛,,試驗煤/礦質量比工業生產高得多(工業生產僅為0.5左右)。
3.2、還原礦磨礦-磁選試驗
上述試驗得到的*佳直接還原工藝參數為煤/礦質量比2.5:1、還原時間80min,還原溫度950℃。按此條件制備出的還原礦全鐵品位為31.87%、金屬鐵含量為29.90%、金屬化率為93.82%。對該還原礦進行了磨礦-磁選試驗。
3.2.1、磨礦細度試驗
將還原礦按不同磨礦時間進行磨礦,產品的平均粒徑見表4。

對不同磨礦時間下的磨礦產品分別進行1次磁選,精礦鐵品位及回收率的變化如圖4所示。可見,隨著磨礦時間的延長,還原礦的平均粒徑減小,精礦鐵品位從50%左右提高到66%左右,而精礦中鐵的回收率從86%左右降低到70%左右。顯然,磨礦細度對精礦品位有很大的影響,欲獲得品位在60%以上的鐵精礦,須將還原礦細磨到8μm以下,這進一步證明試驗礦石屬超微細嵌布。

3.2.2、磁場強度試驗
在不同磁場強度下對磨礦20min的還原礦進行1次磁選,精礦鐵品位及回收率的變化如圖5所示。可見:磁選精礦的鐵品位隨著磁場強度的提高而下降,當磁場強度由199.0kA/m提高到358.2kA/m時,精礦鐵品位由68%左右降低到65%左右;而磁選精礦的鐵回收率隨著磁場強度的提高先上升后下降,在磁場強度為278.6kA/m時*高,超過79%。綜合考慮精礦品位及回收率,磁場強度以278.6kA/m為宜。

3.2.3、還原礦磨礦-磁選流程試驗
根據磨礦細度和磁場強度試驗經進校,進行了還原礦的磨礦-磁選流程試驗,結果見圖6。圖6表明,還原礦經過3段磨礦、 3段磁選,獲得了精礦鐵品位為69.54%、鐵回收率為65.58%(對還原礦)的良好指標。

流程試驗所得鐵精礦的多元素化學分析結果示于表5。可見:鐵精礦以金屬鐵為主,金屬化率為98.02%,氧化亞鐵含量很低,有害雜質含量也很少,可以作為轉爐煉鋼的原料。但是,鐵精礦中SiO2含量仍然很高(26.76%),表明鐵的嵌布粒度超細,難以與石英完全解離,這與巖相分析結果相吻合。

4、結論
(1)湖南某赤鐵礦石屬鐵質板巖,鐵品位低;礦石中赤鐵礦嵌布粒度極細,大部分粒度僅3~5μm,且主要以浸染狀與石英緊密共生,難以充分單體解離。
(2)由于礦石中主要鐵礦物赤鐵礦嵌布粒度超 微細,以常規選礦方法不能獲得鐵品位高于50%的鐵精礦,因此采用煤基直接還原-磁選工藝,成功實現了鐵的有效富集。
(3)在還原溫度為950℃、還原時間為80min、煤/礦質量比為2.5:1的條件下,通過煤基直接還原,得到了全欠缺品位為31.87%、金屬鐵含量為29.90%、金屬化率為93.82%的還原礦;還原礦在*終磨礦產品平均粒度為7μm左右條件下,經磁選管3次選別,得到了產率為鐵品位為69.54%、鐵回收率為65.58%(對還原礦)、金屬化率高達98.02%的鐵精礦。
轉載請注明來源:http://m.kvhiggiiq.cn